A very common issue with the Datsun 280z is the alternator’s external voltage regulator. The voltage regulator on the 280z is mechanical and very prone to failure. Now a days, alternators are internally regulated, and have a very long lifespan. Here, i’ll detail how to upgrade that alternator in the 280z, and wrap up why my car died in the middle of the freeway.

What you’ll need:
– 12mm and 13mm socket (or maybe even 14mm depending on the bolts you have)
– 1983 Nissan / Datsun 280zx alternator (from Amazon BBB 14592, or O’Reilly’s Ultima #14592)
– wire cutter
What you’re doing:
We’re replacing the old 280z externally regulated alternator with a newer, internally regulated alternator designed for a 1983 280zx (it’s available and off the shelf).
See below: old and new alternators. I honestly don’t know if mine was original because several sites mention the OEM 280z alternator had smaller fans. In my case, they were pretty much the same. Mind the images..I was doing necessary repairs at 11pm. hooray.

So why did my Datsun 280z die in the middle of the road? Why did the lights go dimmer and dimmer before then? Why was the engine running rough and eventually sputtering, choking to silence? Well, the alternator wasn’t doing it’s job – it wasn’t providing power to the system, so it was relying on battery power. And just like a toy car, when the battery starts to run out, all sorts of things happen. Lights go dim because there isn’t enough power. Engine acts up because there isn’t enough power to ignite the spark plugs. Ah! So regardless of whether it’s the regulator or the alternator, we’re doing the full upgrade, never having to worry about a failure in a mechanical switch.
You can get a 1983 280zx alternator from your local parts store fairly readily. I got mine from O’Reilly’s Autoparts for $46.00 – Ultima #14592. Equivalents are: BBB Industries 14592 and Premier Gear PG-14592.
1) Detach power – remove cables from the battery, so there’s no power to the system
2) Remove the wires from the old 280z alternator and remove the alternator itself using the 13mm socket wrench. It may help to take a picture of the alternator just prior to removing the wires.

3) Install the new alternator, and reattach all wires
4) Locate the voltage regulator, which is just behind the metal plate that the wire fuses are mounted to. Un-attach the 6-wire connector.
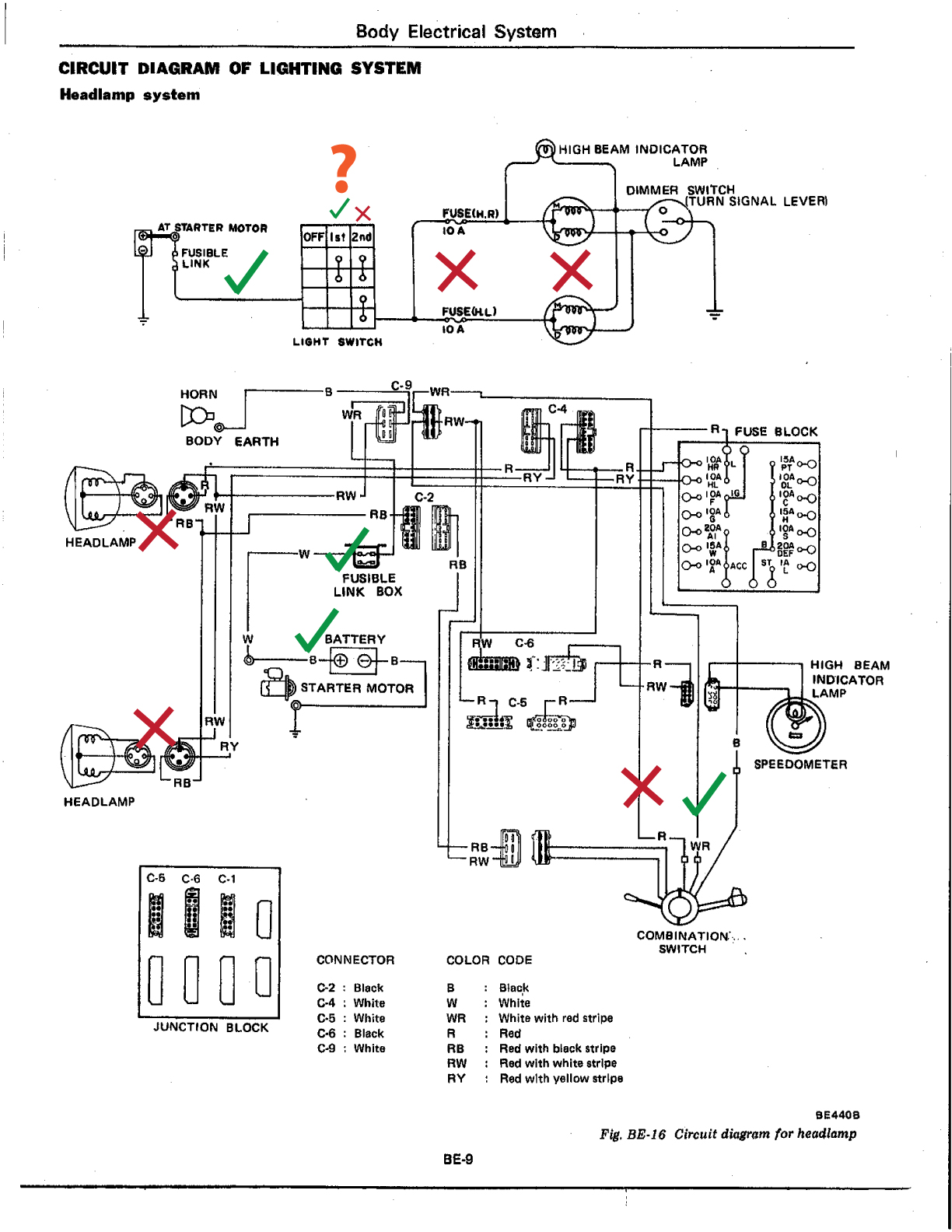
5) Depending on your year 280z, use the chart below to determine which colored wires to jump. Regardless of color, wires 1 and 5 are to be connected, as well as 2 and 3. You actually have several options: 1) cut / connect wires before the 6-pin connector; 2) jump the wires on the connector (like shown below); or 3) cut / connect wires after the connector. I choose to just jump at the connector in some rare chance I need the connector in the future (though, this IS one of those upgrades that is just necessary on a 280z). Here’s a chart from AtlanticZ.


6) Reconnect the battery, check for any immediate electrical issues
7) Turn on the car to run on battery (not all the way on), and note that the charge light is lit in the volt meter dial. Turn the car on to verify the charge light turns off, and you’re registering around 14V. If the charge light is still on, and the dial is only reading 12V while the engine is running, it means something is a miss. Double check your wiring all around.
Now that your alternator is internally regulated, so there’s no more faulty regulator to replace!

Yeah! all done – i believe this only took me about an hour to do. I certainly remember the sleep / peace of mind afterwards!
Helpful link from AtlanticZ: http://atlanticz.ca/zclub/techtips/alternatorswap/index.html